相關資訊
咨詢熱線:
0513-88602618
傳真:0513-88600216
郵編: 226661
郵箱: hahyjd@126.com
hyjd868@pub.nt.jsinfo.net
地址: 江蘇海安曲塘工業園區建設路3號
CZK-型空心軸式磁粉制動器


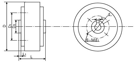
| 型號 | 技術參數 | 安 裝 尺 寸 | ||||||||||
| 額定 轉矩 N.m | 激磁 電流 a | 允許滑 差功率W | 冷卻方式 | d | D | D1 | D2 | L | L1 | d1 | b | |
| CZK-0.3 | 3 | 0.5 | 40 | 自冷 | 15 | 88 | 80 | 47 | 43 | 6.5 | 3-M4 | 5 |
| CZK-0.6 | 6 | 0.8 | 80 | 自冷 | 16 | 120 | 62 | 52 | 52 | 4.5 | 6 | 5 |
| CZK-1.2 | 12 | 1 | 300 | 自冷 | 20 | 152 | 80 | 72 | 74 | 6 | 4 | 6 |
| CZK-2.5 | 25 | 1 | 600 | 自冷 | 25 | 172 | 105 | 90 | 70 | 3 | 6 | 8 |
| CZK-5 | 50 | 1 | 1200 | 自冷 | 30 | 220 | 130 | 110 | 84 | 3 | 8 | 8 |
| CZK-10 | 100 | 1.2 | 3000 | 水冷 | 40 | 260 | 182 | 135 | 120 | 4 | 10 | 12 |
| CZK-20 | 200 | 1.6 | 4000 | 水冷 | 45 | 300 | 220 | 180 | 136 | 5 | 10 | 14 |
| CZK-30 | 300 | 2 | 5000 | 水冷 | 50 | 380 | 195 | 165 | 190 | 5 | 10 | 14 |
| CZK-40 | 400 | 2 | 5000 | 水冷 | 50 | 380 | 195 | 165 | 190 | 5 | 10 | 14 |
空心軸磁粉制動器可稱之為空心軸磁粉剎車器,其與磁粉制動器(單軸型)的工作原理是一致的,只是兩者在構造與設計方面略有差異。空心軸磁粉制動器分為內殼旋轉型中空軸磁粉制動器與外殼旋轉型中空軸磁粉制動器兩種類型,與其同類的產品空心軸磁粉離合器也是分為內殼旋轉型與外殼旋轉型兩種。
CZK-型空心軸式磁粉制動器的產品特點:
1、可以輕松進行大范圍的控制,散熱性能高。
2、可以達到連續滑動運轉。
3、可以得到安定的扭力。
4、無鳴叫音。動作面的滯滑現象會發生于摩擦方式,但是在此不會出現,而且也不會發出連結音,所以運轉相當安靜。
5、熱容量很大。由于使用了耐熱性優越的磁粉及運用了理想的冷卻方法,即使是過于嚴酷的連續滑動運轉,也可以安心使用。
6、可以達到平順的連續及驅動狀態。由于靜摩擦系數和動摩擦系數幾乎一樣,所以完全連結時不會產生震蕩,可以因應負載加減速度。
空心軸式磁粉制動器的應用范圍:
1. 適用于恒張力控制系統,比如:印刷機、分切機、復合機、涂布機、造紙機、拉絲機和電纜繞線機,以及金屬板材、帶材、膠片等加工設備和紡織機械等。
2. 作為加載器,用在發動機、電動機、電動機構、液壓元件、減速器等動力機械中作轉矩測量時的加載裝置。
3. 無級調速,配上傳感器及控制線路便可實現無級調速,特別對高轉速時速度的微調和中小功率的調速系統。
4. 過載保護,當工作系統發生意外,轉矩超載時,離合器自動打滑,從而保護機械設備和原動機。








